特殊时期原本在实验室基于硬件平台操作的实验如何开展,这是摆在老师面前比网课更加具有挑战性的新课题。
《计算机组成原理》是计算机类相关专业的学位课,是Betvictor中文版的平台课,其理论知识抽象,实验尤为重要。《计算机组成原理实验》是与《计算机组成原理》课程配套的单独设置的实验课程(1个学分,24学时)。随着《计算机组成原理》网课的推进(截止到第11周,已经正常网络教学36学时),与课程内容关联的《计算机组成原理实验》逐渐提上了日程。
为了良好的教学效果和学生的学习效果,实验课要开且要与理论授课内容基本同步,这是基本原则。通过调研,我们与前期有过学术交流的华中科技大学《计算机组成原理》团队老师积极接洽、沟通,确定了基于华中科技大学《计算机组成原理实验》远程实验平台EduCoder建立自己的《计算机组成原理实验》线上翻转课堂的实验教学方案。
说干就干。本着立足本校,开拓创新的原则,基于EduCoder平台的华科大《计算机组成原理实验》多个实验、实训模块,通过甄选,确定了适合自己学生的实验模块,搭建并完善了自己的《计算机组成原理实验》线上实验课程。《计算机组成原理实验》线上实验翻转课堂包括学生签到、老师直播实验内容及要求、学生线下设计基本模块、线上提交模块电路验证、线上测评、统计成绩等功能,如图1。

图1 基于EduCoder平台的《计算机组成原理实验》翻转课堂
经过前期的大量准备工作,在线实验翻转课堂第8周正式上线运行。通过四周(8-11周)的实际运行,与传统的基于试验箱的以验证性实验为主的实验相比,在EduCoder搭建的《计算机组成原理实验》在线实验课程具有以下特点:
1、实验灵活、稳定
传统计算机组成原理实验需要借助实验箱完成,当有硬件故障、实验器材或者试验场地不能满足学生人数要求时,给实验带来一定的困难。而借助线下软件环境和线上测试平台,学生可以在本地线下完成电路的搭建(图2),而后线上提交平台测试(图3),既不受诸如实验箱、试验场地等硬性条件的限制,又可在自己搭建的电路存在故障时及时排错,大大增强了实验的灵活性和稳定性。

图2 本地Logisim软件

图3 在线测试平台
2、实验可扩展性强
传统的计算机组成实验大部分借助实验箱对已有计算机组成部件进行验证。新的在线实验平台,每次实验搭建的基本模块可以扩展,到实验最后将每次实验设计的各个基本模块组成完整的计算机系统,且可以系统仿真。课下时间,学生还可对课上完成的基本模块进行优化设计,更可以利用实验中的模块设计思路在诸如FPGA开发板这种场景下进行相应的设计与仿真。新的在线实验平台具有更好的可扩展性。
3、提高了学生对计算机系统的深层次理解
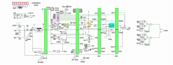
传统的计算机组成原理实验大多集中于验证性实验,学生侧重于对计算机各组成部分的功能理解,对计算机组成深层次理解不足。借助新的在线实验平台,从传统的验证性实验向设计性、创新性综合实验转化(也是工程认证的要求),学生可自己动手从零开始搭建一个CPU系统(图4),在很大程度上提升了学生对计算机系统底层组成及工作原理的理解,从而逐步训练学生解决复杂工程问题的能力。

图4 自行搭建计算机系统并运行MIPS汇编程序
4、平台闯关模式,激发学生兴趣
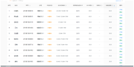
传统的实验只需要对实验箱给出的接口进行连线、验证,实验过程比较枯燥,新的在线实验平台使用了闯关模式,由浅入深,从一个8位加法器,到最终的CPU系统,每一关都具有极强的连贯性与趣味性,加深了学生对《计算机组成原理》极强的严谨性与逻辑性的理解,同时平台还设置了学生排行榜,极大激发了学生的实验兴趣,也将传统的实验课堂模式转化为自己动手“打怪升级”的闯关模式(图5)。

图5 排行榜
在线实验是新的课题,新的挑战,也是值得不断研究和探索的课题。《计算机组成原理实验》课程的在线翻转课堂的建立和实践更加增加了对在线实验教与做的信心!(韩进)
相关新闻
最近更新
1537
2641
3273
5604
5559
4983